-
-
-
Tổng tiền thanh toán:
-
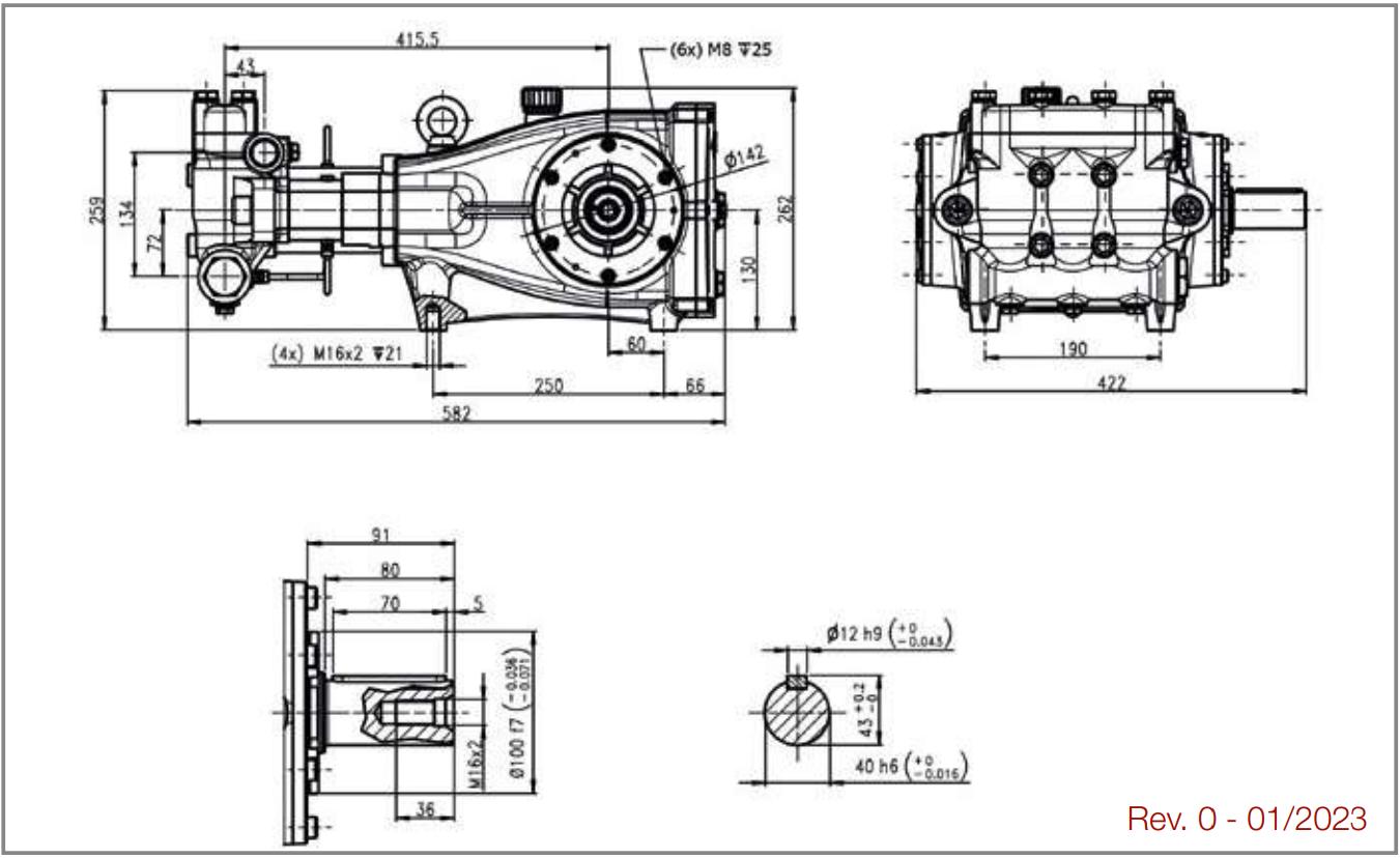
Đầu bơm rửa cao áp Hawk Italy TPX4060SR với áp suất 600bar và nhiệt độ nước lên đến 65°C (149F) là một thiết bị mạnh mẽ trong việc đáp ứng nhu cầu làm sạch chất lượng cao. Buồng xy-lanh được chế tạo từ đồng thau, giúp tăng độ bền và độ chắc chắn của máy bơm.
Đặc biệt, đầu bơm TPX4060SR được thiết kế để lắp đặt trên các thiết bị không di động trong hệ thống rửa và được ưa chuộng trong các ứng dụng công nghiệp đòi hỏi cường độ làm sạch cực kỳ cao. Khả năng hoạt động ở áp suất cao và nhiệt độ nước lớn giúp nó hiệu quả trong việc loại bỏ các vết bẩn và chất béo khó tẩy trên các bề mặt công nghiệp.

Với độ tin cậy và hiệu suất cao, đầu bơm rửa áp lực cao TPX4060SR là sự lựa chọn hoàn hảo cho các ứng dụng làm sạch đặc biệt đòi hỏi sự mạnh mẽ và ổn định từ máy bơm rửa cao áp.
Thông số kỹ thuật:
Model : TPX4060SR
Nhãn hiệu: HAWK, ITALY
- Công suất mô tơ: 57.7KW
- Tốc độ: 1000 v/p
- Áp lực lớn nhất: 600 bar
- Áp lực làm việc: 500 -550bar
- Lưu lượng: 40 Lít/phút
- Kích thước trục bơm: 40mm
- Trọng lượng đầu bơm: 78kg
Thông số chi tiết các dòng bơm TPX


Xem thêm >>> Đầu xịt rửa áp lực cao